外形図・外見寸法

手配番号から絞り込むことができます。

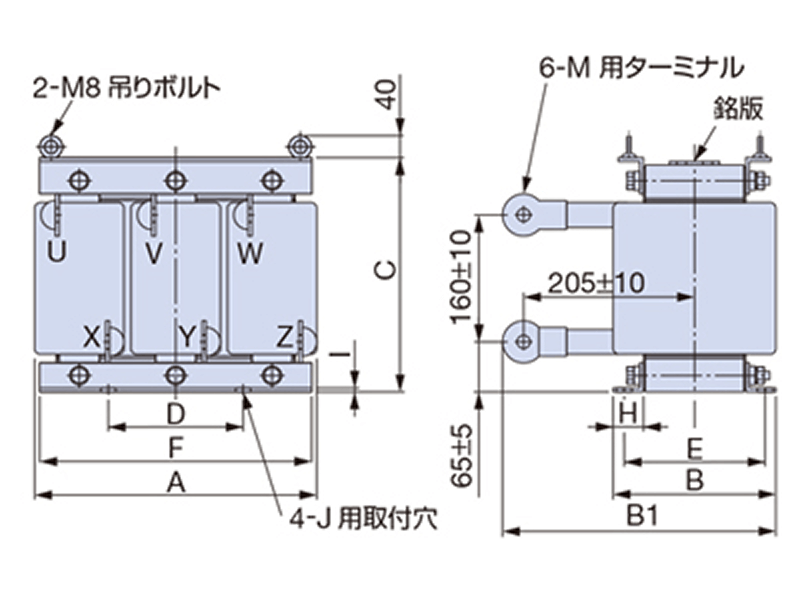
外形図1

外形図/外形寸法(mm)
手配番号 A B C D E F G H I J K L M
100-250-562 130 88 114 105 50 70 130 22 3.2 M6 11.5 7 M5
100-xxx-xxx xxx xxx xxx xxx xxx xxx xxx xxx xxx xxx xxx xxx xxx
100-xxx-xxx xxx xxx xxx xxx xxx xxx xxx xxx xxx xxx xxx xxx xxx
100-xxx-xxx xxx xxx xxx xxx xxx xxx xxx xxx xxx xxx xxx xxx xxx
100-xxx-xxx xxx xxx xxx xxx xxx xxx xxx xxx xxx xxx xxx xxx xxx
100-xxx-xxx xxx xxx xxx xxx xxx xxx xxx xxx xxx xxx xxx xxx xxx
100-xxx-xxx xxx xxx xxx xxx xxx xxx xxx xxx xxx xxx xxx xxx xxx
100-xxx-xxx xxx xxx xxx xxx xxx xxx xxx xxx xxx xxx xxx xxx xxx
100-xxx-xxx xxx xxx xxx xxx xxx xxx xxx xxx xxx xxx xxx xxx xxx
100-xxx-xxx xxx xxx xxx xxx xxx xxx xxx xxx xxx xxx xxx xxx xxx
100-xxx-xxx xxx xxx xxx xxx xxx xxx xxx xxx xxx xxx xxx xxx xxx
100-xxx-xxx xxx xxx xxx xxx xxx xxx xxx xxx xxx xxx xxx xxx xxx
100-xxx-xxx xxx xxx xxx xxx xxx xxx xxx xxx xxx xxx xxx xxx xxx
100-xxx-xxx xxx xxx xxx xxx xxx xxx xxx xxx xxx xxx xxx xxx xxx
100-xxx-xxx xxx xxx xxx xxx xxx xxx xxx xxx xxx xxx xxx xxx xxx
100-xxx-xxx xxx xxx xxx xxx xxx xxx xxx xxx xxx xxx xxx xxx xxx
100-xxx-xxx xxx xxx xxx xxx xxx xxx xxx xxx xxx xxx xxx xxx xxx
100-xxx-xxx xxx xxx xxx xxx xxx xxx xxx xxx xxx xxx xxx xxx xxx
100-xxx-xxx xxx xxx xxx xxx xxx xxx xxx xxx xxx xxx xxx xxx xxx
100-xxx-xxx xxx xxx xxx xxx xxx xxx xxx xxx xxx xxx xxx xxx xxx
100-xxx-xxx xxx xxx xxx xxx xxx xxx xxx xxx xxx xxx xxx xxx xxx

外形図2

外形図/外形寸法(mm)
手配番号 A B C D E F G H I J K L M
100-250-562 130 88 114 105 50 70 130 22 3.2 M6 11.5 7 M5
100-xxx-xxx xxx xxx xxx xxx xxx xxx xxx xxx xxx xxx xxx xxx xxx
100-xxx-xxx xxx xxx xxx xxx xxx xxx xxx xxx xxx xxx xxx xxx xxx

外形図3

外形図/外形寸法(mm)
手配番号 A B C D E F G H I J K L M
100-250-562 130 88 114 105 50 70 130 22 3.2 M6 11.5 7 M5

各種サポート情報

インバータの容量選定や導入をサポートします

  • 設備の稼働率向上や省エネ化、データ収集などをご検討中の皆さまへ、
    インバータの価格や選定のほか、
    課題解決や導入のご相談、お打ち合わせのご依頼を受け付けています。まずはお気軽にお問い合わせください。

ダウンロード各種資料や便利なツールをダウンロードできます